Carcoseal / SCA型油封

两个有油孔和油沟的油封背对背的组合。
防漏油,防异物入侵,可从油孔注入润滑剂防止油封干磨,所有橡胶都均匀加填PTFE粉末,同时唇部均经过特殊Carcoflon处理,减少20倍的摩擦系数。
厂牌: Carco
请点选 → 请联络我们 chainex@chainex.com.tw

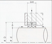
两个有油孔和油沟的油封背对背的组合。
防漏油,防异物入侵,可从油孔注入润滑剂防止油封干磨,所有橡胶都均匀加填PTFE粉末,同时唇部均经过特殊Carcoflon处理,减少20倍的摩擦系数。
厂牌: Carco
请点选 → 请联络我们 chainex@chainex.com.tw